...

欢迎光临江西省江崎贸易有限公司

你想找什么货品?

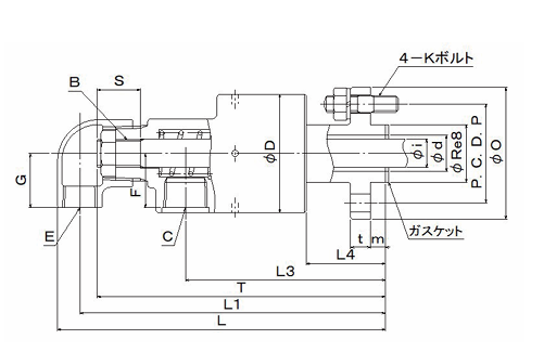
日本SGK昭和技研 旋转接头RXH 4125

货号: RXH 4125
库存: 100 无货

¥1200.00 ¥850.00


简介

采用浮动密封环,具有高追踪能力,能稳定密封性能。由于扭矩较低,通常不需要安装以防止外壳旋转。 (不包括RXK)

产品详情

RXE线

流体水与油
最大压力8A~25A 2.25MPa(23kgf/cm²)
32A~40A 1.67MPa(17kgf/cm²)
50A~80A 1.18MPa(12kgf/cm²)
最高温度100°C
最大转速8A~25A 3500分-1
32A~40A 2000分-1
50A~80A 750分-1

RXH线

流体水和热油
最大压力10A~25A,2.25MPa(23kgf/cm²)
32A~40A,1.67MPa(17kgf/cm²)
50A~80A,1.18MPa(12kgf/cm²)
最高温度150°C
最大转速10A~25A 3500min-1
32A~40A 2000min-1
50A~80A 750min-1

RXK线

流体水与油
最大压力90A/100A 0.98MPa(10kgf/cm²)
最高温度100°C
最大转速90A·100A 500分-1

image.png

日本SGK昭和技研 旋转接头RXH 4120
¥850.00
日本SGK昭和技研 旋转接头RXH 4120
日本SGK昭和技研 旋转接头RXH 4132
¥850.00
日本SGK昭和技研 旋转接头RXH 4132