...

欢迎光临江西省江崎贸易有限公司

你想找什么货品?

日本原装进口FUJIKURA藤仓气缸ACS10-20

货号: ACS10-20
库存: 0 无货

¥0.00


简介

特色■气压轴承用于连杆导向部分。■由于杆和导轨是非接触式的,可以实现超精密的压制控制,无需摩擦阻力。它也没有磨损和灰尘。■可定制至Φ190的超大型类型用途■传统气缸无法实现的精密压制控制。■印刷机和塑料生产设备用精密张力控制。规格类型显示方法特色规模

产品详情

特色

■气压轴承用于连杆导向部分。
■由于杆和导轨是非接触式的,可以实现超精密的压制控制,无需摩擦阻力。
它也没有磨损和灰尘。
■可定制至Φ190的超大型类型

用途

■传统气缸无法实现的精密压制控制。
■印刷机和塑料生产设备用精密张力控制。

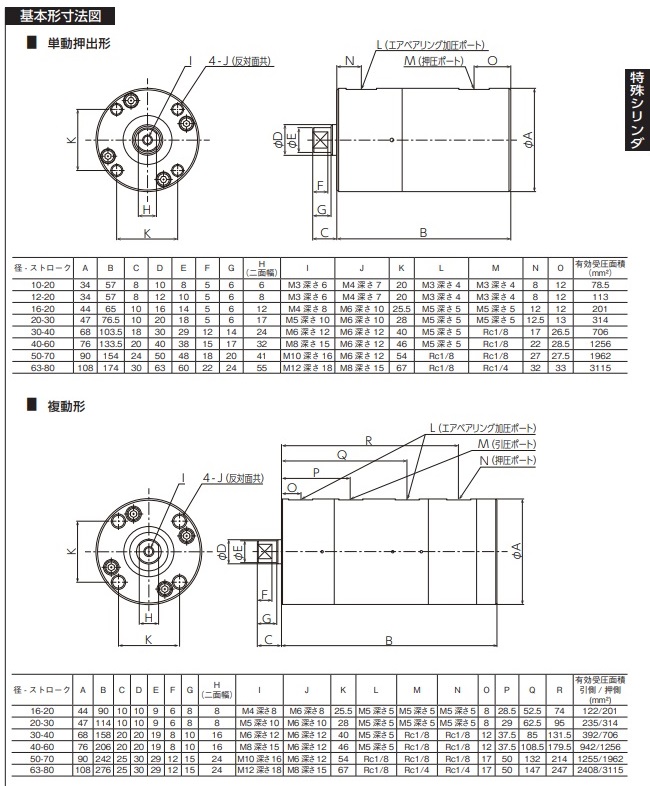
规格

仕様

类型显示方法

型式表示方法

特色

特性

规模

サイズ


日本原装进口FUJIKURA藤仓气缸ACS12-20
¥0.00
日本原装进口FUJIKURA藤仓气缸ACS12-20