...

欢迎光临江西省江崎贸易有限公司

你想找什么货品?

日本ONO SOKKI小野测器 扭矩变动分析功能 DS-0361

日本ONO SOKKI小野测器 扭矩变动分析功能 DS-0361

货号: DS-0361
库存: 0 无货

¥0.00


简介

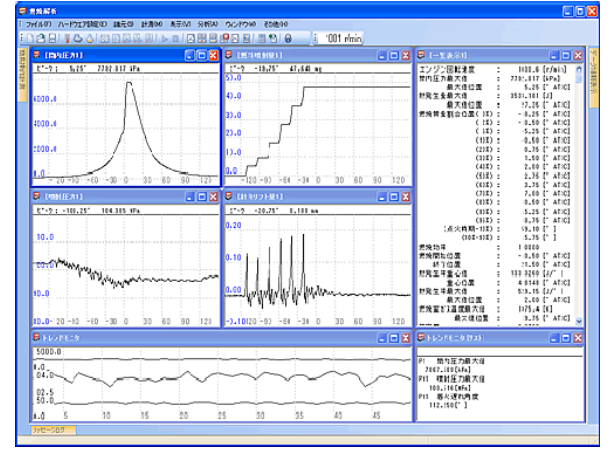
●根据各汽缸内的缸内压力,并结合考虑摩擦,惯性等计算出发动机的扭矩数据。

产品详情

    ●根据各汽缸内的缸内压力,并结合考虑摩擦,惯性等计算出发动机的扭矩数据。
日本ONO SOKKI小野测器 计算处理功能 DS-0363
¥0.00
日本ONO SOKKI小野测器 计算处理功能 DS-0363
日本ONO SOKKI小野测器 编码器替代功能 DS-0360
¥0.00
日本ONO SOKKI小野测器 编码器替代功能 DS-0360